DvD2900 modificaties
TentLabs XO-2
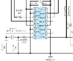
The DvD-2900 RuVox equiped with a TentLabs clock (see figure below).
DvD2900 DvD2900 ZAP-filter Audyn Pre-6 Pre-6 HDAM’s Pre-6 Ultimate AMP-200-2 dual mono AMP-300 vMedevoort CT333 vMedevoort DA333 SONOS ZP90 RUVOX VDAC Lyngdorf RP-1
Purpose XO 2 is designed to be applied as an upgrade in CD and DVD players. It generates a very low jitter clock, which in turn clocks the DAC chips. This in turn leads to lower distortion in the audio spectrum. It pays off and results in: - Lower grain - More resolution - Better transparency - Cleaner sound - Better bass Most commercially available CD players contain standard clock generator circuits, producing typical jitter values up to, and over 100 ps. XO 2 output jitter is below 3ps. Now guess how that distortion is reduced. DvD2900 modification for TentLabs XO2 1. Remove C177, C178 and X101, 2. Connect XO2 coax cable to the appropriated points. Clock input: SM8707 pin 7 (X101 right pin) Clock ground: Ground pad near IC409 Power supply: +12V pin 2
RuVox, Audio Modificaties, Audyn, van Medevoort, Tentlabs, Burson, Musical Fidelity, Lyngdorf, Sonos, Solosound, Solostatic